TI 公司的TPA2028D1是单声道 3W 无滤波器D类音频功率放大器,集成了音量控制,动态范围压缩(DRC)和自动增益控制(AGC).DRV/AGC功能可通过数字I2C接口进行编程.5V电源时能向4欧姆负载提供3W功率(THD+N为10%),工作电压从2.5 V 到5.5 V,工作电流1.8mA,关断电流0.2uA,主要用在无线或蜂窝手机与PDA,PND,DVD播放器,笔记本电脑,手提无线电和游戏机以及教育类玩具.本文介绍TPA2028D1主要特性,功能方框图, 指标测试方框图,以及TPA2028D1YZFEVM评估板性能,电路图和材料清单(BOM).
The TPA2028D1 is a mono, filter-free Class-D audio power amplifier with volume control, dynamic range compression (DRC) and automatic gain control (AGC). It is available in a 1,63 mm x 1,63 mm wafer chip-scale package (WCSP).
The DRC/AGC function in the TPA2028D1 is programmable via a digital I2C interface. The DRC/AGC function can be configured to automatically prevent distortion of the audio signal and enhance quiet passages that are normally not heard. The DRC/AGC can also be configured to protect the speaker from damage at high power levels and compress the dynamic range of music to fit within the dynamic range of the speaker. The gain can be selected from –28 dB to +30 dB in 1-dB steps.![]()
TPA2028D1主要特性:
Fast AGC Start-up Time: 5 ms
Pin-out Compatible with TPA2018D1
Filter-Free Class-D Architecture
3 W Into 4
at 5 V (10% THD+N)
880 mW Into 8
at 3.6 V (10% THD+N)
Power Supply Range: 2.5 V to 5.5 V
Flexible Operation With/Without I2C
Programmable DRC/AGC Parameters
Digital I2C Volume Control
Selectable Gain from –28 dB to 30 dB in 1-dB Steps (when compression is used)
Selectable Attack, Release and Hold Times
4 Selectable Compression Ratios
Low Supply Current: 1.8 mA
Low Shutdown Current: 0.2 µA
High PSRR: 80 dB
AGC Enable/Disable Function
Limiter Enable/Disable Function
Short-Circuit and Thermal Protection
Space-Saving Package
1,63 mm × 1,63 mm Nano-Free WCSP (YZF)
TPA2028D1应用:
• Wireless or Cellular Handsets and PDAs
• Portable Navigation Devices
• Portable DVD Player
• Notebook PCs
• Portable Radio
• Portable Games
• Educational Toys
• USB Speakers
图1.TPA2028D1功能方框图
图2.TPA2028D1指标测试方框图
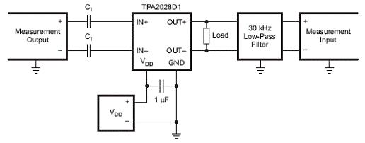
图3.TPA2028D1简化应用方框图
TPA2028D1YZFEVM评估板
The TPA2028D1 evaluation module (EVM) is a complete, stand-alone audio board. It contains the TPA2028D1 WCSP (YZF) Class-D audio power amplifier.
TPA2028D1YZFEVM评估板指标:
图4.TPA2028D1YZFEVM评估板外形图
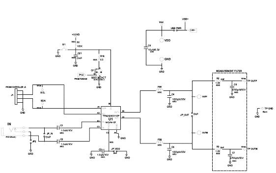
图5.TPA2028D1YZFEVM评估板电路图(1)
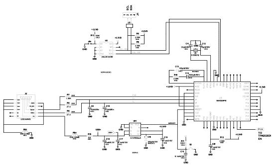
图6.TPA2028D1YZFEVM评估板电路图(2)
TPA2028D1YZFEVM评估板材料清单(BOM):

『本文转载自网络,版权归原作者所有,如有侵权请联系删除』
热门文章
更多