USB、SD卡、MMC卡、DVI/HDMI、CAN等接口,因为用户使用中经常性热插拔,板上的芯片非常容易受静电影响。这样对于接口就要加上保护器件防止损坏芯片。
USB1.1、USB2.0、SD卡、MMC卡等接口,因为用户使用中经常性热插拔,板上的芯片非常容易受静电影响。这种应用场合不能使用普通的稳压管等信道进行保护,因为稳压管的反应速率太慢、且容性负载较大,会影响信道上的数据通信。NXP特提供以下方案供客户参考。
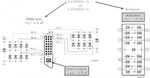
一、USB2.0的保护(PRTR5V0U4D用于双路USB)
下图为PRTR5V0U4D在双路USB应用中的连接示意图。

图13.22PRTR5V0U4D在双路USB中的应用
二、SD卡的保护
下图为PESD5V0L6AS/PESD5V0L6US在SD卡保护电路中的连接示意图。

图13.23ESD器件在SD卡保护电路中的应用1
下图为PESD3V3L4Ux/PESD5V0V4Ux在SD卡保护电路中的连接示意图。

图13.24ESD器件在SD卡保护电路中的应用2
三、MMC多媒体卡的保护
下图为PESD3V3L4Ux/PESD5V0L4Ux/PESD3V3V4Ux/PESD5V0V4Ux在MMC多媒体卡保护电路中的连接示意图。

图13.25PESD器件在MMC多媒体卡保护电路中的应用
四、DVI/HDMI的保护
DVI和HDMI接口已常用于数字视频与音频和显示平板的连接。由于高频信号(最高达1.6GHz)的处理要求这些数据线配置极低的线路电容。Philips提供了独特的1pF的线路电容保护器件。性能继续维持8kV的可接触的IEC61000-4-2标准。下图为NXPESD器件在DVI/HDMI接口保护电路中的连接示意图。

图13.26NXPESD器件在DVI/HDMI接口保护电路中的应用
五、独立Audio/Video的保护
下图为PRTR5V0U4D/PESD5V0L4Ux在独立Audio/Video接口保护电路中的连接示意图。

图13.27ESD保护器件在独立Audio/Video接口保护电路中的应用
APP下载
登录





热门文章




