1 引言
众所周期,无刷直流电机既具有交流电机简单,运行可靠,维护方便等优点,又具有直流电机运行效率高,不受机械换向限制,调速性能好,易于做到大容量、高转速等特点。TI公司的TMS320F2812数字信号处理器(DSP)既具有高速信号处理和数字功能所需的体系结构。还具有专为电机控制应用提供单片解决方案所需的外围设备。以TMS320F2812为核心的全数字电机控制系统极大地简化了硬件设计,提高了系统的可靠性,降低了成本,并对无刷直流电机的普及应用具有良好的前景。为此,提出了一种基于TMS320F2812的全数字永磁无刷直流电机控制方案。
2 系统设计方案
该系统设计采用三相Y型永磁方波无刷电机PWM控制方案,通电方式为两两通电。图1给出控制系统原理框图。它采用全数字三闭环控制。其中,电流环采用PI调节器,速度环采用遇限削弱积分的积分分离PID控制算法,它的输出极性决定了正反转方向,从而可实现电机的四象限运行。位置环采用PI调节器。逆变器采用全桥型PWM调制。

3 系统硬件设计
图2给出基于TMS320F2812的无刷直流电机控制系统。采用TMS320F2812作为控制器,用于处理采集到的数据和发送控制命令。TMS320F2812控制器首先通过3个I/0端口捕捉直流电机上霍尔元件H1,H2,H3的高速脉冲信号,检测转子的转动位置,并根据转子的位置发出相应的控制字,以改变PWM信号的当前值,进而改变直流电机驱动电路(全桥控制电路IGBT)中功率管的导通顺序,实现对电机转速和转动方向的控制。电机的码盘信号A,B通过TMS320F2812 DSP控制器的CAP1,CAP2端口捕捉的。捕捉到的数据存储在寄存器中,通过比较捕捉到A,B两相脉冲值,以确定当前电机的正反转状态和转速。在系统运行中,驱动保护电路检测当前系统的运行状态,如果系统中出现过流或欠压状况,PWM信号驱动器(IR2131)启动内部保护电路,锁存后继PWM信号输出,同时通过FAULT引脚拉低TMS320F2812控制器的PDPINTA引脚电压,启动DSP控制器的电源驱动保护。这时所有EV模块的输出引脚将被硬件置为高阻态,从而保护控制系统。以下主要介绍系统中的转子位置检测电路、相电流检测电路、驱动电路、系统保护电路等。

3.1 转子位置检测电路
控制无刷直流电机时,DSP控制器根据转子的当前转动位置,发送相应的控制字,通过改变PWM脉冲信号的占空比控制电机。无刷直流电机的转子位置是由位置传感器来检测的。该系统设计采用了3个光电式位置传感器(霍尔元件),它们是利用光电效应制成的,由跟随电机转子一起旋转的遮光板和固定不动的光源及光电管等部件组成。
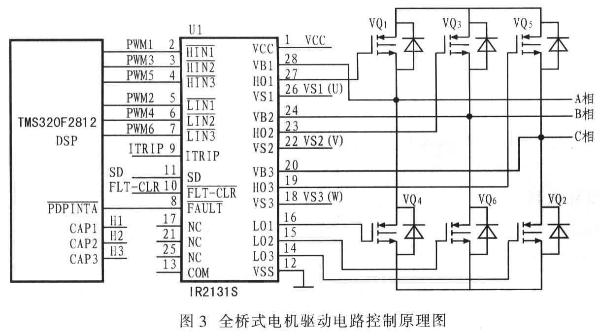
随着电机转子的旋转,光电管间歇接收从光源发出的光,不断导通和截止,从而产生一系列“0”和“l”的信号。这些脉冲信号通过I/0端口传输给DSP,DSP读取霍尔元件的状态值,以确定转子的当前位置。再通过改变PWM信号的占空比控制驱动电路,改变IGBT的导通顺序,实现电机的换相控制.并调节电机的转速。电机驱动电路控制桥臂上的功率管导通顺序为VQ1,VQ2→VQ2,VQ3→VQ3,VQ4→VQ4,VQ5→VQ5,VQ6→VQ6,VQ1(两两通电)。电机转子每转一圈,H1,H2,H3将出现10l→100→110→010→011→00l的6种状态,DSP对每一种状态发送相应的控制字。改变电机的通电相序,实现电机的连续运行。图3给出电机驱动电路控制原理图。

3.2 相电流检测电路
电流反馈通道由霍尔元件、运算放大器和A/D转换器组成。电流反馈采用变比为1:1 000的磁平衡式霍尔元件,该元件的输出为电流信号,并且信号较弱,必须经过精密电阻转换成电压信号,再经过放大处理,得到电流的双极性信号。因为DSP中A/D转换单元的输入范围是0~3.3 V(单极性),需要设计将双极性信号变为单极性的电路,再送到A/D转换器。图4给出电路原理图。

3.3 驱动电路
电机控制器驱动电路采用IR2131(见图5)。IR2131/IR2132是一种采用高压、高速功率MOSFlET和IGBT的驱动器。IR2131可同时控制6个功率管的导通和关断。通过输出端口H01,H02,H03分别控制三相全桥驱动电路中上半桥VQ1、VQ5、VQ5的导通和关断,通过输出端口L0l、L02、L03分别控制三相全桥驱动电路中下半桥VQ4、VQ6、VQ2的导通和关断,从而实现控制电机转速和正反转。

3.4 系统保护电路
在无刷直流电机控制系统中,保护电路具有重要作用,可保护控制系统的核心器件DSP免受高压、过电流的冲击,同时也保护电机的驱动电路免遭损坏。整个系统的保护电路主要由电路隔离、信号隔离和驱动保护3部分组成。
3.4.1 隔离电路
信号隔离电路是把控制电路与驱动电路之间的控制信号和驱动信号通过光电隔离器进行信号隔离,实现不同电压之间的信号传输,如图6所示。该隔离电路可实现对DSP的6路PWM输出信号与IGBT的光电隔离,并实现驱动和电平转换功能。

3.4.2 保护电路
为保证系统中功率转换电路及电机驱动电路安全可靠工作,TMS320F2812还提供了PDPINT输入信号,利用它可方便地实现伺服系统的各种保护功能。图7给出具体实现电路。各种故障信号由CD8128综合后,经光电隔离输入到PDPINT引脚。有任何故障状态出现时CD8128输出低电平,PDPINT引脚也被拉为低电平。此时,DSP内的定时器立即停止计数,所有PWM输出引脚全部呈高阻状态.同时产生中断信号,通知CPU有异常情况发生。整个过程不需程序干预,全部自动完成,这对实现各种故障状态的快速处理非常有用。
4 系统与上位机的通讯
系统采用SCI接口完成与上位机的通讯功能,采用RS-232通信,通过上位机给定位置量.同时控制过程中电机的速度、电流、位置反馈量等参数,以实时发送上位机显示;SPI接口完成串行驱动数码管显示功能.通过数字I/O扩展的键盘设定位置给定量,由数码管显示。
5 实验结果
在硬件电路的基础上,通过软件编程得到图8所示的两个实验结果。其中,图8(a)为系统在常规PID控制下的系统跟踪特性曲线;图8(b)为系统在模糊PID系统跟踪特性下的试验曲线。

6 结语
采用TMS320F2812为核心设计的数字伺服系统,解决了伺服系统中PWM信号的生成、电机速度反馈及电机电流反馈问题,方便地实现了保护功能,极大地简化了系统硬件设计,提高了系统的可靠性,减小了伺服系统的体积。降低了成本(降低约20%)。实验结果验证了该方法的有效性。
『本文转载自网络,版权归原作者所有,如有侵权请联系删除』
热门文章
更多