设计背景
设计要求
本接口作为一个关于内容保护系统的电路板的一部分,主要用于和计算机进行通信,也可与其他带UART接口的电路板进行通信。对数据传输速率要求不高,传输距离也不要求很长,但传输数据要求准确可靠。该接口可用来监控电路内部状态,将FPGA内部信息通过串口输出至计算机,以达到辅助调试电路的目的。另外,电路板上的FPGA外挂有串行Flash,可通过串口对Flash进行调试,将Flash中的数据输出至计算机,并可将数据通过串口写入Flash中。简而言之,该接口是作为计算机与电路板的一个可靠的双向数据传输通道。
UART的实现原理
UART是异步通信方式,通信的发送方和接收方各自有独立的时钟,传输的速率由双方约定。本设计采用最常用的每秒9600波特的传输速度。
UART的通信协议十分简单,以低电平作为起始位,高电平作为停止位,中间可传输5~8比特数据和1比特奇偶校验位,奇偶校验位的有无和数据比特的长度由通信双方约定。一帧数据传输完毕后可以继续传输下一帧数据,也可以继续保持为高电平,两帧之间保持高电平,持续时间可以任意长。本方案采用不添加校验位的方法,以提高数据传输效率。发送端发送数据时先发一低电平,然后发送8比特数据,之后马上把信号拉高,从而完成一帧数据传送。接收端接收到低电平时开始计数,然后接收8比特信息位后如果检测到高电平即认为已接收完一帧数据,继续等待下一帧起始信号低电平的到来,若接收完8比特数据后没有检测到高电平则认为这不是一帧有效数据,将其丢弃,继续等待起始信号。时序关系如图1所示,收发可同时进行,互不干扰。

图1 RS-232接口的工作时序
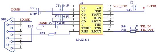
硬件电路原理图及说明
一个完整的RS-232接口是一个25针的D型插头座,25针的连接器实际上只有9根连接线,所以就产生了一个简化的9针D型RS-232插头座,常用的就是一个9针的D型插头座。通常只用到一根发送信号线、一根接收信号线和一条地线,其余的振铃指示、请求传送、清除传送、准备就绪及数据载波检测等线可以做悬空处理。
RS-232标准规定逻辑1的电平为 -15~-3V,逻辑0的电平为+3~+15V。CMOS电路的电平范围一般是从0V到电源电压,FPGA的I/O输入输出电压通常为0~3.3V,为了与FPGA 供电电压保持一致,必须加电平转换芯片。选用Maxim公司的MAX3232电平转换芯片,电路原理图如图2所示。

图2 RS-232接口电路
连线采用最简单的3 线制连接模式,即只需要两根信号线和一根地线来完成数据收发。而FPGA 只需要选择两个普通I/O引脚分别与接口芯片MAX3232 对应引脚T2IN、R2OUT相连即可完成将串口电平转换为设备电路板的工作电平,即实现RS-232电平和TTL/ CMOS 电平的转换。一个MAX3232芯片可以支持两个串口的电平变换,我们选择其中的一组接口,图中的4个电阻可以省去。在电路中加入了0Ω的跳线电阻,是为了在这组接口出故障时可以方便地跳线,使用另一组接口。
软件设计
异步收发器由波特率发生器、UART接收器和UART发送器三个模块构成。采用的是每秒9600波特的传输速度,而系统提供的时钟是10MHz,这就要求进行速率变换。在实际中由于电路中存在干扰等因素,在数据边缘进行采样容易发生误判,只有在数据的中央进行采样出错的概率才能降到最低,所以使用16倍于波特率的时钟,即9600×16Hz=15600Hz。因此波特率发生器输出的时钟频率应为15600Hz,UART 收发的每一个数据宽度都是波特率发生器输出的时钟周期的16倍,采用Altera公司芯片内部自带的锁相环可以方便地实现。UART接收器和UART发送器均采用Verilog语言编程实现。
通常使用的数据多为并行数据,为了方便与系统中其他电路互连,UART接收器的输出数据和UART发送器的输入数据均为8比特并行数据。UART接收器将串行数据接收下来并将其转化为并行数据送出,UART发送器将输入的并行数据转换为串行数据并按照UART的帧格式输出。

图3 UART接收器符号图
图3为UART接收器的符号图,其中rst为全局复位信号,rxd为串行数据输入端,baudClk16x为输入时钟,dataOut[7..0]为并行数据输出口,irq为输出数据的指示信号。首先接收器等待起始位的到来,在每个时钟上升沿检测输入数据是否为低电平,若检测到低电平,则开始计数,如果连续8个时钟内输入数据均为低电平,则认为起始信号有效,其中若有一次采样得到的为高电平则认为起始信号无效,返回初始状态重新等待起始信号的到来。认定起始信号有效后,每隔16个时钟采样一次,这样就可以保证每次都在数据的中点出采样,将采样结果送入8比特的移位寄存器,8比特数据采样结束后,间隔16个时钟采样停止位。如果采得的是高电平,则认为这帧数据有效,将移位寄存器中的数据并行送出同时将输出数据的指示信号置高,然后接收器复位,重新等待下一帧的到来;若采得的为低电平,则认为这不是一帧有效数据,不将移位寄存器中的数据输出,直接返回初始状态。

图4 UART发送器符号图
图4 为UART发送器的符号图,其中flag为输入数据指示信号,rst为全局复位信号,clkin为输入时钟,din[7..0]为并行数据输入端,tdo为串行数据输出端。接收器在每个时钟的上升沿检测输入数据指示信号,若检测到其为高电平,则将并行输入数据锁存入内部的8比特移位寄存器,接下来先送出一个低电平并保持16个时钟,然后每隔16个时钟将移位寄存器中的数据移出一位,最后送出高电平,返回初始状态。
系统调试
UART接收器和发送器可根据实际需要单独使用,但在调试时为了方便,将两者对接起来,如图5所示。UART接收器的输出与UART发送器的输入相连,复位信号和时钟信号共用,时钟信号由片外晶振提供,输入FPGA后通过锁相环转换为需要的频率。

图5 调试系统模块图
结束语
用FPGA 来对UART接口进行开发,可以减小系统的PCB面积,降低系统的功耗,提高设计的稳定性和可靠性,并可以充分利用了FPGA 的剩余资源。综合报告显示这一UART接口部分仅消耗了68 个逻辑单元,对于FPGA来说,这点资源实在是微不足道的,用如此少的资源就可以为系统增添一条新的数据通道,这是十分值得的。该设计具有很大的灵活性,虽然这一UART接口工作在每秒9600波特,但通过调整锁相环的参数,就可以使其工作在其他频率,十分方便。这仅仅是一个简单的通信接口,可根据不同系统的需要,增加FIFO等内容。该模块也可以作为一个完整的IP核,灵活地移植进各种型号的FPGA中,通用性很强。
『本文转载自网络,版权归原作者所有,如有侵权请联系删除』
热门文章
更多