搜索
每日签到
|
APP下载
|
登录
首页
研发技术
技术分类
嵌入式
模拟电子
电磁兼容
单片机
电池
电源
RF射频
传感器
显示-光电
FPGA/DSP
接口总线驱动
全部
前沿技术
高通5G手机芯片性能测评
高频小信号谐振放大电路时域与频域对比分析
高薪IC设计工程师是如何炼成的?
龙芯发布四款芯片:加速产业布局 中国芯大有可为
为什么我们要用隔离式放大器
热门技术文章
液晶显示器控制设计_含源程序代码
飞思卡尔数字压力传感器实现硬盘驱动存储容量增加
骁龙710为全新层级的智能手机提供用户所需的的顶级特性
解读西部电子设计行业四大亮点
节点转换成本升级,摩尔定律将在2014年被打破?
适用于WLAN IEEE80211a标准的双模前置分频器设计
行业应用
行业应用
医疗电子
物联网
智能电网
汽车电子
工业控制
AI
家电数码
热门应用
物联网网关是智能家居发展的重要支撑
齐聚澳门 ViewSonic优派助阵MDL Macau Dota 2 国际精英邀请赛
龙芯、飞腾、申威进入国企采购目录 但不应过度解读
绝缘电阻极化指数测量方法
阿特斯阳光电力加入 Intertek ‘卫星计划’
最新应用文章
区块链本体跨链技术设计方案解析
机器人技术电路设计图集锦
智能手环怎么用_智能手环使用教程
以IoT联接智能家居和楼宇
工业机器人控制系统由什么组成
绝缘电阻测试仪及兆欧表的组成和选用标准
电子论坛
社区导航
更多>
硬件设计讨论
电磁兼容&安规论坛
射频RF|微波技术
电源技术论坛
信号完整性SI/PI仿真
芯片SIP|封装设计
单片机|MCU论坛
ARM|DSP嵌入式论坛
物联网技术
FPGA|CPLD论坛
MATLAB论坛
器件选型&认证
Cadence Allegro论坛
Allegro Skill开发
Orcad|Concept论坛
Mentor Xpedition论坛
PADS PCB论坛
Altium Protel论坛
PCB封装库论坛
EDA365作品展
PCB生产工艺论坛
电子装联PCBA工艺&设备论坛
IPD流程管理
失效分析&可靠性
元器件国产化论坛
EDA365线下活动区
职业生涯
EDA365原创吧
巢粉引擎
电巢直播
研发资源
电子百科
器件手册
设计外包
EDA365 Skill
EDA365 Tools
Xilinx开发者社区
电巢
研发资源
>
标签
>
STM32F103
STM32F103_USART_GPIO配置及相应的IO口设置
STM32 系列单片机 GPIO 资料收集及总结一.GPIO 配置(1)GPIO_Mode_AIN 模拟输入(2)GPIO_Mode_IN_FLOATING 浮空输入(3)GPIO_Mode_IPD 下拉输入(4)GPIO_Mode_IPU 上拉输入(5)GPIO_Mode_Out_OD 开漏输出(6)GPIO_Mode_Ou...
单片机程序设计
|
STM32F103
usart
GPIO配置
IO口设置
发布时间:2020-06-06
STM32F103串口1和串口2不同波特率之间交换数据问题
前几天写一个东西.要用到STM32F103的串口1和串口2以不同的波特率交换数据.也就是说串口1波特率为9600.串口2波特率为115200.串口1可以把接收到的数据通过串口2发送出去.串口2也可以把接收到的数据通过串口1发送...
单片机程序设计
|
STM32F103
串口
波特率
交换数据
发布时间:2020-06-06
STM32F103启动文件注释
1.启动文件作用: (1) 初始化堆栈指针 (2)初始化PC指针指向复位程序 (3)初始化中断向量表 (4)配置系统时钟(3.0版本之前.进入main函数后.首先配置系统时钟.但是3.5.0版本固件库配置了时钟....
单片机程序设计
|
STM32F103
启动文件
注释
发布时间:2020-06-06
错误解决:STM32F103串口1与串口3相同代码却结果不同
在前几天调试openmv时发现同样的代码串口1和串口3的结果却是不一样的.当时着实是把我坑了很久.怎么都找不到原因.用示波器看波形也是没有问题的.在Openedv网站上有位网友指出是我初始化代码的问题.在翻阅参考手...
单片机程序设计
|
STM32F103
串口
发布时间:2020-06-05
如何配置STM32F103的重映射USART
这两天用STM32F103操作MC39i.其中用到STM32的重映射串口3.部分重映射到PC10.PC11上.经参考了正点原子的STM32不完全手册并查看手册.调试成功讲解如下.如有不足欢迎指正.经查找手册见下图: 此时...
单片机程序设计
|
STM32F103
配置
usart
重映射
发布时间:2020-06-05
STM32F103 开发板试用体验:超声波测距功能的实现
在日常生活中离不开对距离的测量.就测量的手段来讲主要有两种测量方式.一种是直接测量法.另一种则为间接测量法.基于超声波的测量方式就属于间接测量方式.它是通过计算超声波发送与接收发射超声波的时间.进而由...
单片机程序设计
|
测量
STM32F103
发布时间:2020-06-04
STM32F103试用体验:LCD显示与DHT11测量实验
实验名称:LCD显示与DHT11测量温湿度实验目的:通过开发板连接的DHT11模块实时测量环境温湿度,并在LCD屏上显示.实验材料:精英STM32F103开发板DHT11温湿度模块,尺寸3.5寸,芯片为ILI9486,无触摸功能连接方式:如图所示,LC...
单片机程序设计
|
STM32F103
dht11
LCD显示
发布时间:2020-06-04
STM32F103试用体验(四):硬件原理与机壳组装
机壳做好了.使用的椴木层板做材料.激光切割而成.开始组装之前先来介绍一下硬件原理.这是组装之后的整体效果图硬件原理测速使用的两对红发收发管.当飞行的物体依次经过两个监测点的时候.分别记录时间.然后通过...
单片机程序设计
|
STM32F103
激光切割
发布时间:2020-06-04
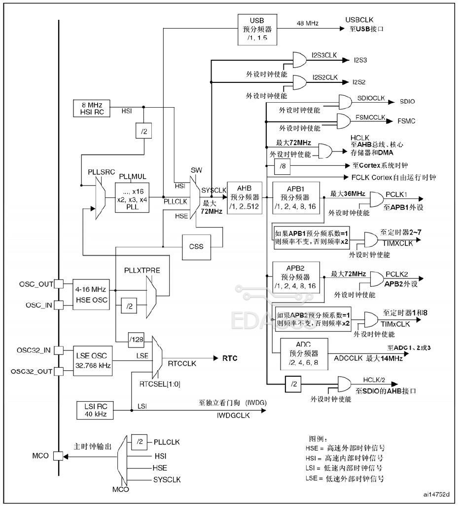
STM32F103系列单片机中的定时器工作原理解析
STM32F103系列的单片机一共有11个定时器.其中:2个高级定时器4个普通定时器2个基本定时器2个看门狗定时器1个系统嘀嗒定时器出去看门狗定时器和系统滴答定时器的八个定时器列表;8个定时器分成3个组,TIM1和TIM8是高...
单片机程序设计
|
STM32F103
定时器
stm32单片机
发布时间:2020-06-04
基于使用STM32F103单片机.实现64Mbit单对单通信
简单的一种应用.ARM芯片作为master.flash为slaver.实现单对单通信.ARM主控芯片STM32F103.flash芯片为MACRONIX INTERNATIONAL的MX25L6465E.64Mbit.SPI应该是嵌入式外围中最简单的一种应用了吧!一般SPI应用有...
单片机程序设计
|
单片机
STM32F103
ARM
spi控制
发布时间:2020-06-03
首 页
上一页
7
8
9
10
11
12
13
下一页
尾 页
|
最新活动
从手机到产线,这颗传感器如何让千万设备“看清”颜色?
|
相关标签
单片机
dht11
HSE倍频设置
下载调试
cubeMX
OLED屏幕
程序
DAC
|
热门文章
STM32F103单片机系统时钟部分归纳
【stm32f103】USART TX发送实现(寄存器版)
STM32F103mini教程通用定时器
STM32f407与STM32F103 串口采用DMA收发数据配置方法的异同
STM32f103之外部中断