P89C669是PHILIPS半导体一款51MX(存储器扩展)内核的微处理器,其指令执行速度2倍于标准的80C51器件,线性地址经扩展后可支持高达8 MB的程序存储器和8 MB的数据存储器,这是他相对于标准51内核的最大优点。目前的单片系统越来越复杂,扩展的外部设备也更多,如果能充分利用P89C669的丰富的线性地址资源,将能大大增强系统能力。在一个嵌入式系统开发中,笔者采用ALTERA公司的CPLD芯片EPM7032利用这款单片机的线性地址扩展了丰富的外部设备资源。
1 P89C669的存储器结构
1.1 存储结构
P89C669的存储器结构为哈佛结构,地址分配如表1所示。
从表1可见,P89C669对传统的51内核的3部分存储结构进行了相应的扩展,各个部分的片内存储空间也增加了,如内部数据空间有1 280 B在片内,外部数据空间有768 B在片内,有96 kB的片内程序存储空间等。
寻址指令除了传统的MOV,MOVX,MOVC外,EMOV指令与24位的通用指针寄存器EPTR可寻址16MB的全部空间,但是所占用的指令周期也较长。
扩展外部数据存储空问HDATA除了768 B在片内外,其余地址空间可以用来扩展外部设备(其实只要把片内的768 B通过指令将其屏蔽,也可以用来扩展外部设备)。
1.2 P2口的读写时序分析
寻址8 MB的数据存储空间,需要有23 b的地址寻址能力,P89C669将传统51内核的P2高位地址时分复用,从而得到23 b地址寻址能力,时序图如图1所示,即当使用23 b地址时,ALE为高时,地址位A16~A22输出到P2.0~P2.6;ALE为低时,地址位A8~A14输出到P2.0~P2.6。无论ALE为何值,位地址A15都从P2.7输出。
2 系统外部设备扩展需求
在某产品的控制系统中,扩展的外部设备比较丰富,利用P89c669的23 b地址寻址能力进行设备地址编码,所以需要对23 b地址的时序逻辑进行处理,处理单元交给一块ALTERA公司的CPLD(EPM7032)。
EPM7032具有32个逻辑单元,约600个门级单元,可用IO口36个,内置IEEE std.1149.1 JTAG,方便可编程下载。
在满足系统资源的前提下,选用EPM7032,将P89C669的P2口作为处理单元输入信号,经过CPLD的内部逻辑进行译码或数据锁存,以获得各个外部设备资源的选择信号及少量的控制信号,如图2所示。
在本设计中,共需要得到设备选择信号如SRAM芯片M68AF127B的片选CS_RAM,2个FLASH ROM芯片SST29SF040的片选CS_ROM0,CS_ROM1,模拟多路选择器SN74LV4052的使能信号线CS_4052,另外还有一些控制信号线,这里就不一一介绍。
实际上,P2口引入CPLD,就P89C669的23 b地址线而言,用来地址译码和少量的控制信号等主要是利用最高的几位,在本设计中,由于SST29SF040用到地址线A0~A18,所以CPLD的地址译码处理只能是利用剩下的A19~A22,这将在下文的CPLD的译码单元可以看到。
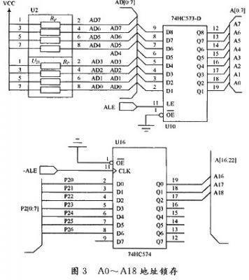
A0~A7低地址采用74HC573进行锁存,A16~A18地址内容采用74HC574进行锁存,如图3所示。

M68AF127B,SST29SF040,74HCA052的功能连接图如图4所示,74HC4052用于UART口的扩展,如图5所示。
3 EPM7032S的逻辑设计
CPLD的设计采用原理图的方法进行设计,简便快捷,如图6所示,采用74374模块锁存P2口的输入信号,ALE反向后得到_ALE作为74374的锁存时钟线输入。
对高位的地址线A19~A22进行地址译码,获得各芯片的片选线,如图7所示。
如果不是对SST29SF040进行读写,则高位地址线A16~A18仍然可以利用,这里将其作为74HC4052的3个输入控制线A,B,INH,即图8中的A_4052,B_4052,CS_4052。
4 KeilC51平台的外部设备测试
编写设备驱动程序是在KeilC51的平台上,由于利用了P89C669的23 b地址线,在C51的平台上采用指针读写设备很方便,这里给出读写SRAM芯片M68AF127B的C源代码例子,以供参考。
以上3句为测试SRAM的测试代码,START_EX-TRAM为SRAM芯片的起始地址(可根据CPLD的内部设计进行相应的修改),第2,3句分别是写、读数据的宏。
5 结 语
利用P89C669的23 b的线性地址并采用CPLD扩展外部设备资源可以说是不错的一个方法,对外部设备的访问将显得更加简便,当然,在成本方面系统设计工程师也要加以考虑,并最终寻找一个性价比最高的方案。
APP下载
登录





热门文章




