随着生活质量的提高人们对于居住舒适度的要求,我国北方地区的楼宇建设都将普遍推广热量表到户,用于冬天的暖气供应。自从2009 年起,我国北方进行了供热改革,至今已卓见成效。预计未来几年按热量计费将是北方供暖改革的重要方向。而热量表更是供热系统中的关键部件,它负责热量的计算、记录和数据传送工作。超声波热量表由于其测量方式无接触部件,且具有低压降、低能量消耗、测量精度高的优势,所以它正在逐渐取代机械式的热量表,成为北方供热供暖计量方案的首选。
基于Energymicro 公司的32 位Cortex-M3 内核的超低功耗微控制器EFM32 与ACAM公司的高集成度TDC-GP21 芯片推出的超声波热量表方案,能够充分发挥EFM32 的超低功耗与高运算能力的特点及GP21 高精度的测量能力,它将成为超声波热量表方案中的最优之选。
系统框架
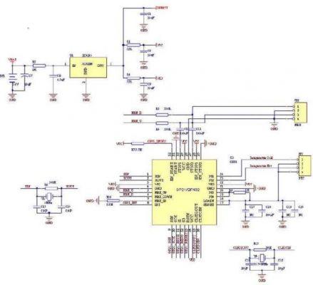
图1 所示,超声波热量表包括超低功耗微控制器EFM32TG840F32、时间数字转换器TDC-GP21(热敏电阻PT1000、超声波换能器)、LCD 显示液晶屏、操作按键、红外通信电路及MBUS 通信电路。整个系统由3.6V 锂电池供电,考虑到TDC-GP21 的供电电压将电压转换为3.3V。
图1 超声波热量表方案框图
硬件设计
1、主控及显示部分
超声波主控MCU 采用EFM32TG840F32,它是基于ARM 公司的32 位Cortex-M3 内核设计而来,对比于传统的8 位、16 位单片机,它具有更高的运算和数据处理能力,更高的代码密度,更低的功耗。实际数据显示,EFM32TG840 在执行32 位乘法运算仅需4 个内核时钟周期,32 位除法运算仅需8 个内核时钟周期,而相应热表上运用的16 位单片机却分别需要50 和465 个时钟周期。而恰恰在时间数据转换芯片TDC-GP21 上采集得到的数据均是32 位长度,因此在运算和热量计算时均是32 位的数据运算。可见,采用EFM32TG840 可以让超声波热量表有更好的运算性能,从而使得整机可以缩短处在运行计算状态状态,达到降低运行功耗的效果。
EFM32TG840 具有EM0-EM4 共5 种低功耗模式。在EM2 的低功耗模式下,微控制器仍可实现RTC 运行,LEUART、LETIMER 及LESENSE 的通信或控制功能,而功耗仅需900你A。而且它具有灵活的唤醒方式和自主工作的PRS 系统,可以由外部I/O、I2C 通信接口、LEUART 通信信号等等方式唤醒。
EFM32TG840 集成了8×20 段的LCD 驱动器,满足直接驱动超声波液晶屏的段式液晶屏,而功耗仅为550nA。EFM32TG840 的LCD 驱动器内部集成电压升压功能和对比度调节功能,可实现在芯片内部VCMP 电压比较器监控VDD 电压,分等级开启LCD 升压及对比度调节,达到LCD 的现象效果良好,即使系统电池随着使用时间增加出现电压跌落现象。
图2 主控MCU 及显示电路
EFM32TG840 的I/O 可以设置为低功耗模式唤醒及GPIO 中断模式,因此外部操作按钮可以在低功耗条件下实现交互控制动作。
2、TDC-GP21 超声波采集部分
TDC-GP21 是德国ACAM 公司在2011 年11 月底推出的新一代专门针对超声波热量表检测计量所用的数字时间转换器。TDC-GP21 芯片采用QFN32 封装,除了具备TDC-GP2的功能外,还额外集成了超声波热量表所需要的信号处理模拟部分,例如模拟开关以及低噪声斩波稳定(自动进行温度电压校正)模拟信号比较器。TDC-GP21 温度部分集成了施密特触发器,可直接接上温度传感器和参考电阻,就可以进行高精度的测量,测量的性能远远超过热量表所需的要求。7x32bit 的EEPROM 单元,可用于存储热量表整表的ID 信息及配置寄存器信息。
TDC-GP21 需要两个供电电压,分别是核心电压VCC 和I/O 电压Vio,在本方案中采用了ACAM 推荐的两个供电电压使用相同的电压源进行供电,并增加去耦双通道滤波电路以达到降低系统噪声的效果。其他部分电路例如换能器、PTC 电阻的连接以及晶体的接法均采用原厂提供的官方参考电路进行搭建。在时钟方面TDC-GP21 将输出32.768KHz 时钟,为EFM32TG840F32 提供低频时钟,可节省主控MCU 的低频晶振。
图3 TDC-GP21 电路图
3、MBUS 通信部分
超声波热量表通过MBUS(Meter Bus)总线通信进行自动抄表。现场的热量表可通过MBUS 将数据上传到集中器,然后由集中器或再上一级集中器将数据通过以太网或无线GPRS 通信模块将数据传输的供暖中心的后台,进行计费及管理。本方案中采用TI 公司的MBUS 芯片为TSS721A。TSS721A 是一种用于仪表总线的收发器集成芯片,其内含接口电路可以调节仪表总线结构中主从机之间的电平,同时该收发器可由总线供电,对从机不增加功率需求,总线可无极性连接。TSS721A 的连接电路如图4 所示。
图4 TSS721A 连接电路
4、红外通信部分
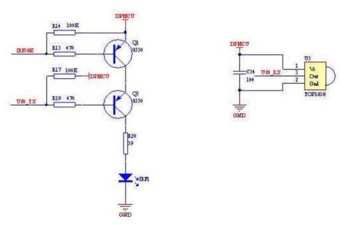
根据《CJ/T 188-2004》技术规范文档,超声波热量表红外通信采用38KHz 的载波对通信数据进行调制且有效通信距离大于2m,选用波长为940nm 的红外发射管与接收管。供热管理人员可以使用手持红外抄表设备对超声波热量表进行抄表。红外通信电路如图5 所示。
图5 红外通信电路
软件设计
超声波热量表方案的软件部分可以划分为3 个部分:TDC-GP21 的检测计量部分、红外及MBUS 的抄表通信部分、按键液晶屏的显示交互部分。
针对TDC-GP21 的检测计量软件部分可参考ACAM 官方提供技术文档,它提供了TDC-GP21 在单次采集的软件配置及实现过程。热量表通过计算超声波上游和下游的时间差,进而通过公式计算得到流量,然后通过对PT1000 的测量和计算可以采集得到进水口热水与出水口冷水的温度差。最终通过热量熵积分Q=cmΔt,计算得到热量的值。而在实际采集当中,为了更精确的热量计算值,软件设计者可对非线性参数增加相应的补偿处理。
对于热量表的通信抄表部分的软件设计,软件设计者在实现的红外与MBUS 的底层串行通信后,可参考《CJ 188-2004 户用计量仪表数据传输技术条件》上所要求的抄表命令、抄表通信数据帧格式、抄表应答数据要求进行相应的软件编写。
热量表的人机交互软件部分主要是根据用户的按键操作实现对应的查询数据的显示。对于EFM32TG840 的液晶屏控制器底层驱动,软件设计者控制起来非常方便,在执行完LCD控制器的初始化后,向对应的SEG 段寄存器操作对应的数据位,即可将液晶屏上对应的段码点亮显示。综合段码显示内容及用户操作即可实现交互部分的软件设计。
方案优势
基于EFM32TG840 与TDC-GP21 实现的超声波热量表方案具有的优势包括:
1、相对于传统的8 位、16 位单片机,EFM32TG840 以Cortex-M3 为内核,具有更强运算处理能力,使整表的性能得到提升;
2、EFM32TG840 与TDC-GP21 均具有低功耗的优势,综合使得整机的功耗更低,增长热量表的电池寿命,间接降低了整表对于电池的需求成本;
3、EFM32TG840 集成了LCD 控制器、RTC,以及它的Flash 可用于数据存储功能,使得整体方案的外围元件减少,降低方案成本。
总结
综述上文,以EFM32TG840 为主控MCU,TDC-GP21 为关键检测元器件而设计的超声波热量表,充分地发挥了EFM32TG840 的高性能、低功耗、良好集成度的特点,结合了数字时间转换器TDC-GP21 的高精度、低功耗的优势,使得它将成为供暖系统热计量部分的最佳选择。
APP下载
登录





热门文章




